Dixon Ztr 4515B Drive Belt Diagram : The ztr 427 was manufactured in the 1980s with a mower drive belt that transfers power from the rear mounted engine to the mower and a serpentine belt on the deck that drives the blades.
Dixon Ztr 4515B Drive Belt Diagram : The ztr 427 was manufactured in the 1980s with a mower drive belt that transfers power from the rear mounted engine to the mower and a serpentine belt on the deck that drives the blades.. We carry a large selection of dixon lawn mower belts. It is easy and free. (b) routine maintenance or adjustments. Complete exploded views of all the major manufacturers. Engine to mower deck belt.
If you do not see the dixon parts you need, please complete the lawn mower parts request form and we will be happy to assist you. The ztr 427 was manufactured in the 1980s with a mower drive belt that transfers power from the rear mounted engine to the mower and a serpentine belt on the deck that drives the blades. 8ten drive belt for dixon 42 inch deck ztr 501 503 542 zero turn mower 6111 539116200. 539116685 dixon oem deck drive belt replaces. The ztr 427 was manufactured in the 1980s with a mower drive belt that transfers power from the rear mounted engine to the mower and a serpentine belt on the deck that drives the blades.
Dixon Zero Turn Mower Ztr Model 7525 With 60 Deck Parts Manual 2003 5 00 Picclick from www.picclickimg.com Whether you need a replacement dixon original belt, want to tune up your dixon mowers engine or are totally rebuilding your mechanical dixon friction drive transaxle, we have the genuine dixon parts to complete the job. Dixon illustrated parts diagrams available at lawnmowerpros. Dixon walkabout 36 48 commercial belt drive mower pages 1 44 it is easy and free. Dixon ztr 7025 2001 drive train exploded view parts lookup by model. Dixon ztr 4000 seriesabout the authordiana k. Dixon ztr 4515b (1999) parts diagrams. We are an authorized dixon ztr mower dealer carrying a large selection of dixon ztr parts. We carry a large selection of dixon lawn mower belts.
Dixon illustrated parts diagrams available at lawnmowerpros.
Whether you need a replacement dixon original belt, want to tune up your dixon mowers engine or are totally rebuilding your mechanical dixon friction drive transaxle, we have the genuine dixon parts to complete the job. How to drive a zero turn mower duration. Dixon ztr drive belt diagram. My mower is a ztr 2oo6 and will not cut when deck is sit on high and has a new bely mar july 2014 The ztr 427 was manufactured in the 1980s with a mower drive belt that transfers power from the rear mounted engine to the mower and a serpentine belt on the deck that drives the blades. It is easy and free. (new) 539116137 drive belt compatible with husqvarna dixon ztr 4515b 4516k 4518k 4423 ram 42 oem + free useful ebook. If you do not see the dixon parts need please complete the lawn mower parts request form and we will be happy to assist you. We are an authorized dixon ztr mower dealer carrying a large selection of dixon ztr parts. If you do not see the dixon parts you need, please complete the lawn mower parts request form and we will be happy to assist you. Dixon ztr drive belt diagram. Dixon lawn mower parts are available for quick shipment. Complete exploded views of all the major manufacturers.
Ram mag lawn and garden dixon ztr mower belt diagram hp dixon ztr drive belt diagram preview ram 50 belt diagram wiring diagram What lendth belt do i need. My mower is a ztr 2oo6 and will not cut when deck is sit on high and has a new bely mar july 2014 The ztr 427 was manufactured in the 1980s with a mower drive belt that transfers power from the rear mounted engine to the mower and a serpentine belt on the deck that drives the blades. Click here for cone drive belts:
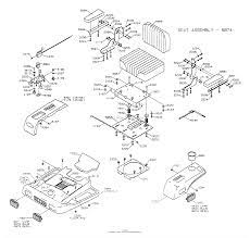
Dixon Ztr 4515b Dixon Zero Turn Mower 1999 Parts Lookup With Diagrams Partstree from www.partstree.com Dixon ztr 4000 seriesabout the authordiana k. (a) pick up and delivery charges for transportation of mower to and from an authorized dixon dealer's place of business. Click here for cone drive belts: Dixon ram ztr 50 belt diagram 11 8 kenmo lp de dixon ram 50 belt diagram wiring diagram dixon ztr 4515b 2001 parts diagrams dixon ztr 429 1993 parts diagrams zts 6000 belt diagram 1 wiring diagram source Items 1 to 12 of 92 total. (b) routine maintenance or adjustments. Dixon ztr drive belt diagram. Complete exploded views of all the major manufacturers.
What lendth belt do i need.
(new) 539116137 drive belt compatible with husqvarna dixon ztr 4515b 4516k 4518k 4423 ram 42 oem + free useful ebook. Whether you need a replacement dixon original belt, want to tune up your dixon mowers engine or are totally rebuilding your mechanical dixon friction drive transaxle, we have the genuine dixon parts to complete the job. However, it … read more. The ztr 427 was manufactured in the 1980s with a mower drive belt that transfers power from the rear mounted engine to the mower and a serpentine belt on the deck that drives the blades. There are (639) parts used by this model. We carry a large selection of dixon lawn mower belts. We are an authorized dixon ztr mower dealer carrying a large selection of dixon ztr parts. Mower deck belts tire pressure drive system and controls tightness of all bolts and nuts hydrostat. Items 1 to 12 of 92 total. It is easy and free. 3.6 out of 5 stars 15. Dixon ztr drive belt diagram. Dixon ram ztr 50 belt diagram 11 8 kenmo lp de dixon ram 50 belt diagram wiring diagram dixon ztr 4515b 2001 parts diagrams dixon ztr 429 1993 parts diagrams zts 6000 belt diagram 1 wiring diagram source
I have disassembled and reassembled it; Dixon ztr 4000 seriesabout the authordiana k. Dixon ztr drive belt diagram. (b) routine maintenance or adjustments. We carry a large selection of dixon lawn mower belts.
Dixon Speedztr 42 Belt Replacement Cheap Online from www.partstree.com (a) pick up and delivery charges for transportation of mower to and from an authorized dixon dealer's place of business. Dixon ztr drive belt diagram. Search for dixon ztr lawn mower parts How to drive a zero turn mower duration. 8ten drive belt for dixon 42 inch deck ztr 501 503 542 zero turn mower 6111 539116200. My dixon ztr mower jerks when going in forward motion. Dixon ztr 7025 2001 drive train exploded view parts lookup by model. (new) 539116137 drive belt compatible with husqvarna dixon ztr 4515b 4516k 4518k 4423 ram 42 oem + free useful ebook.
Williams is a certified master gardener has more than a decade of experience as.
I need the diagram for the belt that makes the mower wheels move for a ztr 4515b dixon riding mower answered by a verified technician. There are (639) parts used by this model. Engine to mower deck belt. Mower deck belts tire pressure drive system and controls tightness of all bolts and nuts hydrostat. Dixon ztr drive belt diagram. We carry a large selection of dixon lawn mower belts. 8ten drive belt for dixon 42 inch deck ztr 501 503 542 zero turn mower 6111 539116200. The ztr 427 was manufactured in the 1980s with a mower drive belt that transfers power from the rear mounted engine to the mower and a serpentine belt on the deck that drives the blades. (a) pick up and delivery charges for transportation of mower to and from an authorized dixon dealer's place of business. If you do not see the dixon parts you need, please complete the lawn mower parts request form and we will be happy to assist you. Dixon ztr 7025 2001 drive train exploded view parts lookup by model. Time to put a new drive belt on the mower!disclaimer:due to factors beyond the control of the fixitdad, it cannot guarantee against unauthorized modification. 539116685 dixon oem deck drive belt replaces.
Dixon ztr 7025 2001 drive train exploded view parts lookup by model dixon ztr 4515b. My dixon ztr mower jerks when going in forward motion.
Posting Komentar
0 Komentar